LED-drivere for profesjonell belysning

Vanpee tilbyr LED-drivere av høy kvalitet – med presis styring, stabil drift og lang levetid. Våre produkter gir trygg strømforsyning og pålitelig ytelse i både små og store prosjekter.

 

Vanpee – kompetanse og kvalitet i hver driver.

LED Driver Mini MD 350 LP 18W

Varenr: 127445
LED Driver Mini MD 350 LP 18W LED Driver Mini MD 350 LP 18W LED Driver Mini MD 350 LP 18W
LED Driver Mini MD 350mA LP. Kan belastes med opptil 18W. For innendørs bruk, IP20. Dimbar med faseavsnitt.

LED Driver Mini MD 350mA LP.

Kan belastes med opptil 18W.

For innendørs bruk, IP20.

Dimbar med faseavsnitt.

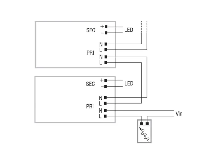
LP versjon betyr at det er dobble klemmer på primær side for kabel inn/ut.

 

HOVEDFUNKSJONER:

- IP 20 LED Driver, for innendørs bruk.

- Klasse II beskyttelse mot elektrisk sjokk for direkte ellerindirekte kontakt.

- Active Power Factor Corrector

- Spenningsregulering 8 % inkludert temperaturvariasjoner

- Leveres med termisk deksel og kabelholder

- Inn og utgangsklemmer på samme side, kabeldimensjoneropp til 1,5 mm

- Strekkavlaster på primær og sekundær utgang for kablermed diameter: PRI 5-8 mm - SEC 3-5mm

- Driver kan sikres med skruer

- Beskyttelse mot: overoppheting; kortslutning; nettspenningstopper og overbelastning

- Termisk beskyttelse = C.5.a.

 

TEKNISKE DATA:

- Driftsspenning: 220-240V 50-60Hz

- AC driftsområde: 198-264 V

- Effekt: min. 9W - max. 18 W

- Maks rippel utgangsstrøm: 20%(1)

- Vekt: 108g

- Godkjenninger: : EN 50172 (VDE 0108), EN 55015,EN 61000-3-2, EN 61000-3-3, EN 61347-1, EN 61347-2-13,EN 61547, EN 62384, VDE 0710-T14

 

DRIFTS MODUS:

- Dimmes med faseavsnitt

Produktinformasjon

Kapslingsklasse IP20
Styresignal Faseavsnitt