LED-drivere for profesjonell belysning

Vanpee tilbyr LED-drivere av høy kvalitet – med presis styring, stabil drift og lang levetid. Våre produkter gir trygg strømforsyning og pålitelig ytelse i både små og store prosjekter.

 

Vanpee – kompetanse og kvalitet i hver driver.

LED Driver Mini MD 350mA 18W

Varenr: 6600566
LED Driver Mini MD 350mA 18W LED Driver Mini MD 350mA 18W LED Driver Mini MD 350mA 18W
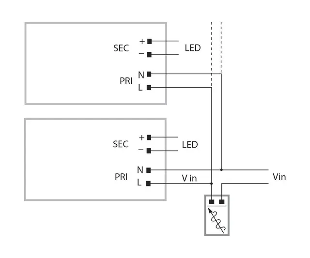
LED Driver Mini MD 350mA. Kan belastes med opptil 18W. For innendørs bruk, IP20. Dimbar med faseavsnitt. Leveres med termisk deksel og kabelholder.

LED Driver Mini MD 350mA.

Kan Belastes med opptil 18W.

For innendørs bruk, IP20.

Leveres med termisk deksel og kabelholder.

 

HOVEDFUNKSJONER:

- IP 20 LED Driver, for innendørs bruk.

- Klasse II beskyttelse mot elektrisk sjokk for direkte ellerindirekte kontakt.

- Active Power Factor Corrector

- Spenningsregulering 8 % inkludert temperaturvariasjoner

- Leveres med termisk deksel og kabelholder

- Inn og utgangsklemmer på samme side, kabeldimensjoneropp til 1,5 mm

- Strekkavlaster på primær og sekundær utgang for kablermed diameter: PRI 5-8 mm - SEC 3-5mm

- Driver kan sikres med skruer

- Beskyttelse mot: overoppheting; kortslutning; nettspenningstopper og overbelastning

- Termisk beskyttelse = C.5.a.

 

TEKNISKE DATA:

- Driftsspenning: 220-240V 50-60Hz

- AC driftsområde: 198-264 V

- Effekt: min. 9W - max. 18 W

- Maks rippel utgangsstrøm: 20%(1)

- Vekt: 108g

- Godkjenninger: : EN 50172 (VDE 0108), EN 55015,EN 61000-3-2, EN 61000-3-3, EN 61347-1, EN 61347-2-13,EN 61547, EN 62384, VDE 0710-T14

 

DRIFTS MODUS:

- Dimmes med faseavsnitt

 

 

Produktinformasjon

Kapslingsklasse IP20
Styresignal Faseavsnitt