LED Driver Micro MD 10W 350 mA

Varenr: 6600569
LED Driver Micro MD 10W 350 mA LED Driver Micro MD 10W 350 mA LED Driver Micro MD 10W 350 mA
LED Driver Micro MD 350mA. Kan belastes med opptil 10W. For innendørs bruk, IP20. Dimbar med faseavsnitt. Leveres med termisk deksel og kabelholder.

LED Driver Micro MD 350mA. Kan belastes med opptil 10W.

For innendørs bruk, IP20.

Dimbar med faseavsnitt.

Leveres med termisk deksel og kabelholder.

 

HOVEDFUNKSJONER:

- IP 20 LED Driver, for innendørs bruk.

- Klasse II beskyttelse mot elektrisk sjokk for direkte ellerindirekte kontakt.

- Active Power Factor Corrector

- Spenningsregulering8 % inkludert temperaturvariasjoner

- Leveres med termisk deksel og kabelholder

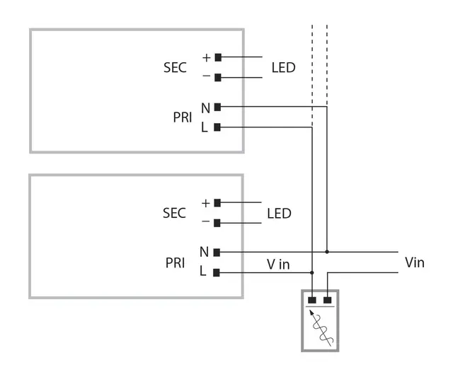
- Inn og utgangsklemmer på samme side, kabeldimensjoneropp til 1,5 mm

- Strekkavlaster på primær og sekundær utgang for kablermed diameter: min 3 mm - max 8 mm

- Driver kan sikres med skruer

- Beskyttelse mot: overoppheting; kortslutning; nettspenningstopper og overbelastning

- Termisk beskyttelse = C.5.a.

 

TEKNISKE DATA:

- Driftsspenning: 220-240V 50-60Hz

- AC driftsområde: 198-264 V

- Effekt: min 3W - max 10 W

- Maks rippel utgangsstrøm: 20%(1)

- Vekt: 68g

- Godkjenninger: : EN 50172 (VDE 0108), EN 55015,EN 61000-3-2, EN 61000-3-3, EN 61347-1, EN 61347-2-13,EN 61547, EN 62384, VDE 0710-T14

 

DRIFTS MODUS:

- Dimmes med faseavsnitt

Produktinformasjon

Kapslingsklasse IP20
Styresignal Faseavsnitt