LED-drivere for profesjonell belysning

Vanpee tilbyr LED-drivere av høy kvalitet – med presis styring, stabil drift og lang levetid. Våre produkter gir trygg strømforsyning og pålitelig ytelse i både små og store prosjekter.

 

Vanpee – kompetanse og kvalitet i hver driver.

LED Driver Micro MD 10W 500mA

Varenr: 6600570
LED Driver Micro MD 10W 500mA LED Driver Micro MD 10W 500mA LED Driver Micro MD 10W 500mA
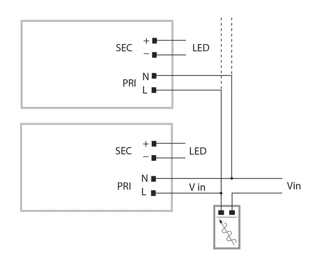
LED Driver Micro MD 500mA. Kan belastes med opptil 10W. For innendørs bruk, IP20. Dimbar med faseavsnitt. Leveres med termisk deksel og kabelholder.

LED Driver Micro MD 500mA. Kan belastes med opptil 10W.

For innendørs bruk, IP20.

Dimbar med faseavsnitt.

Leveres med termisk deksel og kabelholder.

 

HOVEDFUNKSJONER:

- IP 20 LED Driver, for innendørs bruk.

- Klasse II beskyttelse mot elektrisk sjokk for direkte ellerindirekte kontakt.

- Active Power Factor Corrector

- Spenningsregulering8 % inkludert temperaturvariasjoner

- Leveres med termisk deksel og kabelholder

- Inn og utgangsklemmer på samme side, kabeldimensjoneropp til 1,5 mm

- Strekkavlaster på primær og sekundær utgang for kablermed diameter: min 3 mm - max 8 mm

- Driver kan sikres med skruer

- Beskyttelse mot: overoppheting; kortslutning; nettspenningstopper og overbelastning

- Termisk beskyttelse = C.5.a.

 

TEKNISKE DATA:

- Driftsspenning: 220-240V 50-60Hz

- AC driftsområde: 198-264 V

- Effekt: min 3W - max 10 W

- Maks rippel utgangsstrøm: 20%(1)

- Vekt: 68g

- Godkjenninger: : EN 50172 (VDE 0108), EN 55015,EN 61000-3-2, EN 61000-3-3, EN 61347-1, EN 61347-2-13,EN 61547, EN 62384, VDE 0710-T14

 

DRIFTS MODUS:

- Dimmes med faseavsnitt

Produktinformasjon

Kapslingsklasse IP20
Styresignal Faseavsnitt